1
/
of
4
FYH
محمل FYH UCT205-14 7/8 محمل مركب للشد
محمل FYH UCT205-14 7/8 محمل مركب للشد
Regular price
$58.50 USD
Regular price
$65.00 USD
Sale price
$58.50 USD
Unit price
/
per
Shipping calculated at checkout.
Couldn't load pickup availability
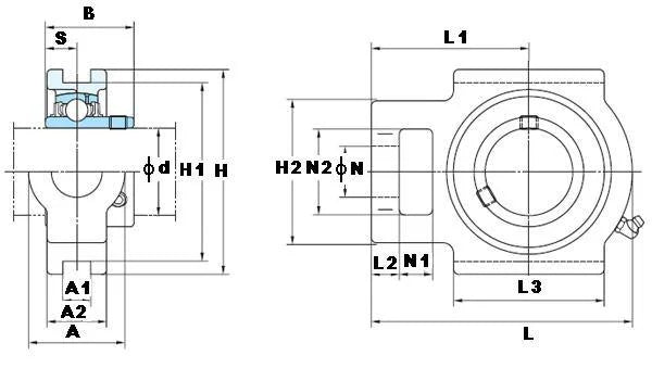
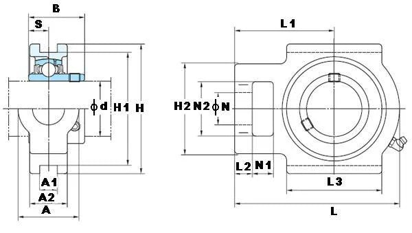
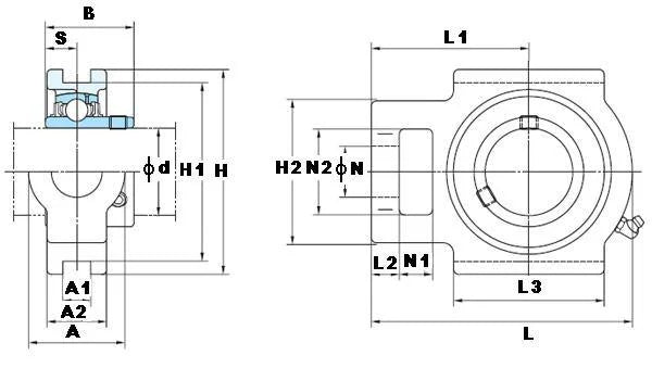
| محمل UCT205-14 FYH محمل مثبت على وحدة الشد ثقب أسطواني (مع براغي تثبيت) محمل بقطر داخلي 7/8" |
تُركب وحدة الشد داخل إطار الشد وتسمح بالتعديل الخطي على طول مستوى الوحدة. تتوفر نسخ الفتحات الدولية والمحلية. التطبيقات تشمل ناقل الحزام، ويُستخدم المحمل حيث يجب تعديل مسافة العمود.
|
| الأبعاد (بوصة) | |||||||||||||||
|---|---|---|---|---|---|---|---|---|---|---|---|---|---|---|---|
| d | A | A1 | A2 | H | H1 | H2 | L | L1 | L2 | L3 | N | N1 | N2 | B | S |
| 1" | 1-1/4" | 15/32" | 15/16" | 3-1/2" | 2-63/64" | 2" | 2-13/16" | 2-7/16" | 13/32" | 2" | 3/4" | 5/8" | 1-1/4" | 1-11/32 | 9/16" |
شارك
