1
/
de
3
NB
NB SWJ20 Bloc à douille à billes NB 1-1/4" Mouvement linéaire
NB SWJ20 Bloc à douille à billes NB 1-1/4" Mouvement linéaire
Prix habituel
$200.45 USD
Prix habituel
$222.99 USD
Prix promotionnel
$200.45 USD
Prix unitaire
/
par
Frais d'expédition calculés à l'étape de paiement.
Impossible de charger la disponibilité du service de retrait
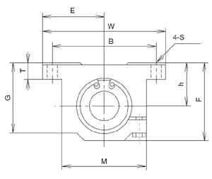
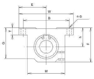
| Unité de Glissière SWJ20 NB Type Bloc Fabriqué au Japon : NB Linear Systems Systèmes Linéaires Nippon Bearing |
Unité de glissière SWJ20 NB 1 1/4" pouce de type bloc, diamètre intérieur du roulement de 1 1/4" pouce, dimensions avec cage en acier, série principalement utilisée aux États-Unis, marque NB (Nippon Bearing Linear Systems), fabriquée au Japon.
|
| Dimensions principales | Dimensions de montage | |||||||||
|---|---|---|---|---|---|---|---|---|---|---|
| h | E | W | L | F | T | G | M | B | C | S |
| 1-1/2" | 2" | 4" | 3-5/8" | 2-13/16" | 7/16" | 2-1/2" | 3" | 3-1/2" | 2" | 7/32" |
Partager
