1
/
van
4
FYH
Fyh lager UCT204-12 3/4 neem gemonteerde lager op
Fyh lager UCT204-12 3/4 neem gemonteerde lager op
Normale prijs
$58.50 USD
Normale prijs
$65.00 USD
Aanbiedingsprijs
$58.50 USD
Eenheidsprijs
/
per
Verzendkosten worden berekend bij de checkout.
Kan beschikbaarheid voor afhalen niet laden
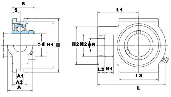
| UCT204-12 FYH-lager Neem opgemonteerd lager Cilindrische boring (met ingestelde schroeven) 3/4 "binnendiameter lager |
De take-up-eenheid past in een opnamebrame en zorgt voor lineaire aanpassing langs het vlak van de eenheid. Zowel internationale als binnenlandse slotversies zijn beschikbaar. Applicaties zijn riemtransporteur, lager wordt gebruikt waar de asafstand moet worden aangepast.
|
| Afmetingen (inches) | |||||||||||||||
|---|---|---|---|---|---|---|---|---|---|---|---|---|---|---|---|
| D | A | A1 | A2 | H | H1 | H2 | L | L1 | L2 | L3 | N | N1 | N2 | B | S |
| 3/4" | 1-1/4" | 15/32" | 13/16" | 3-1/2" | 2-63/64" | 2" | 3-11/16" | 2-13/32" | 13/32" | 2" | 3/4" | 5/8" | 1-1/4" | 7/32" | 1/2" |
Delen
