1
/
van
4
VXB
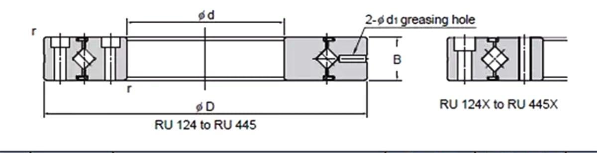
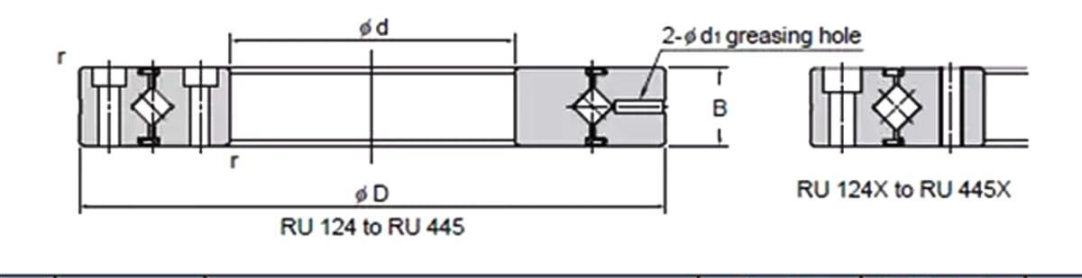
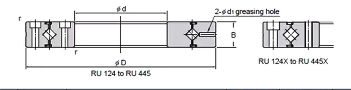
RU124UU Kruisrol Slewing Ring Draaitafel Lager 80x165x22mm
RU124UU Kruisrol Slewing Ring Draaitafel Lager 80x165x22mm
Normale prijs
$461.14 USD
Normale prijs
$513.00 USD
Aanbiedingsprijs
$461.14 USD
Eenheidsprijs
/
per
Verzendkosten worden berekend bij de checkout.
Kan beschikbaarheid voor afhalen niet laden
RU124UU Cross Roller Lager 80x165x22mm |
RU124UU Met de Cross-Roller Ring zijn cilindrische rollen kruisgewijs gerangschikt. Dit ontwerp maakt het mogelijk dat slechts één lager belastingen in alle richtingen kan opvangen, inclusief radiale, axiale en momentbelasting. De binnen- en buitenringen zijn ontworpen om scheidbaar te zijn, de lagerspeling kan worden aangepast. Bovendien wordt een zeer nauwkeurige roterende beweging gegarandeerd door de lagerspeling aan te passen om een voorbelasting te bieden.
|
Delen



