1
/
van
4
VXB
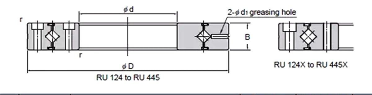
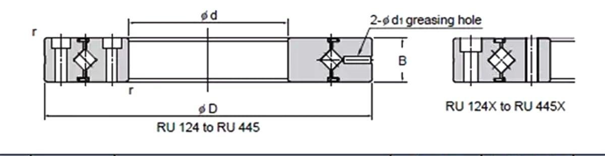
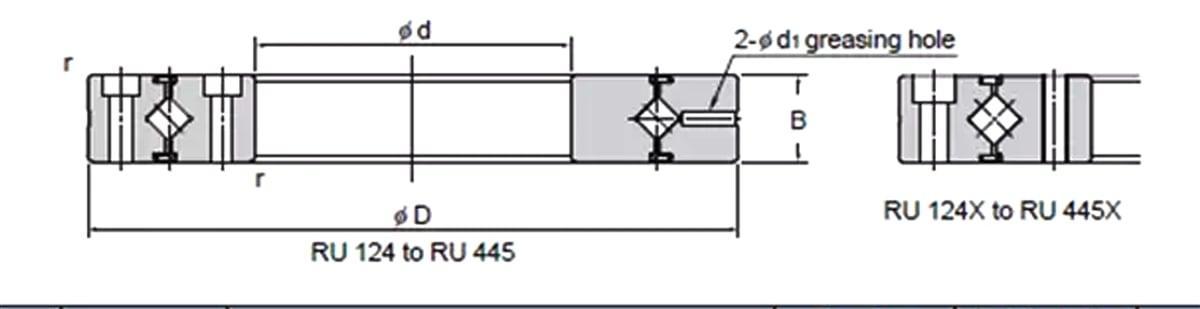
RU148UU Kruisrol Slewing Ring Draaitafel Lager 90x210x25mm
RU148UU Kruisrol Slewing Ring Draaitafel Lager 90x210x25mm
Normale prijs
$628.33 USD
Normale prijs
$699.00 USD
Aanbiedingsprijs
$628.33 USD
Eenheidsprijs
/
per
Verzendkosten worden berekend bij de checkout.
Kan beschikbaarheid voor afhalen niet laden
RU148UU Cross Roller Lager 90x210x25mm |
RU148UU Met de Cross-Roller Ring zijn cilindrische rollen kruisgewijs gerangschikt. Dit ontwerp maakt het mogelijk dat slechts één lager belastingen in alle richtingen kan opnemen, inclusief radiale, axiale en momentbelasting. De binnen- en buitenringen zijn ontworpen om scheidbaar te zijn, de lagerspeling kan worden aangepast. Bovendien wordt een zeer nauwkeurige roterende beweging gegarandeerd door de lagerspeling aan te passen om een voorbelasting te bieden.
|
Delen



