1
/
van
3
VXB
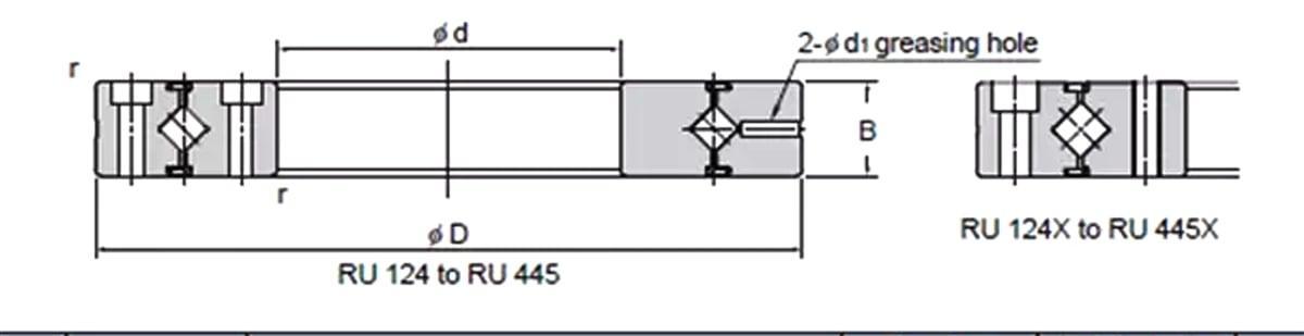
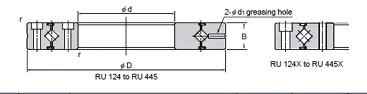
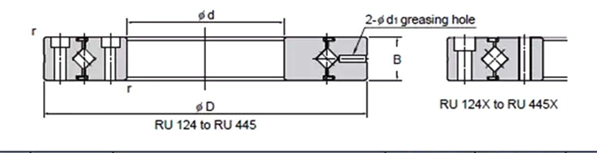
RU178UU Kruisrol Slewing Ring Draaitafel Lager 115x240x28mm
RU178UU Kruisrol Slewing Ring Draaitafel Lager 115x240x28mm
Normale prijs
$809.01 USD
Normale prijs
$900.00 USD
Aanbiedingsprijs
$809.01 USD
Eenheidsprijs
/
per
Verzendkosten worden berekend bij de checkout.
Kan beschikbaarheid voor afhalen niet laden
RU178UU Cross Roller Lager 115x240x28mm |
RU178UU Met de Cross-Roller Ring zijn cilindrische rollen kruisgewijs gerangschikt. Dit ontwerp maakt het mogelijk dat slechts één lager belastingen in alle richtingen kan opnemen, inclusief radiale, axiale en momentbelasting. De binnen- en buitenringen zijn ontworpen om scheidbaar te zijn, de lagerspeling kan worden aangepast. Bovendien wordt een zeer nauwkeurige roterende beweging gegarandeerd door de lagerspeling aan te passen om een voorbelasting te bieden.
|
Delen


