1
/
van
4
VXB
RU228UU Kruisrol Draaischijf Draaibare Lager 160x295x35mm
RU228UU Kruisrol Draaischijf Draaibare Lager 160x295x35mm
Normale prijs
$1,084.07 USD
Normale prijs
$1,206.00 USD
Aanbiedingsprijs
$1,084.07 USD
Eenheidsprijs
/
per
Verzendkosten worden berekend bij de checkout.
Kan beschikbaarheid voor afhalen niet laden
RU228UU Cross Roller Lager 160x295x35mm |
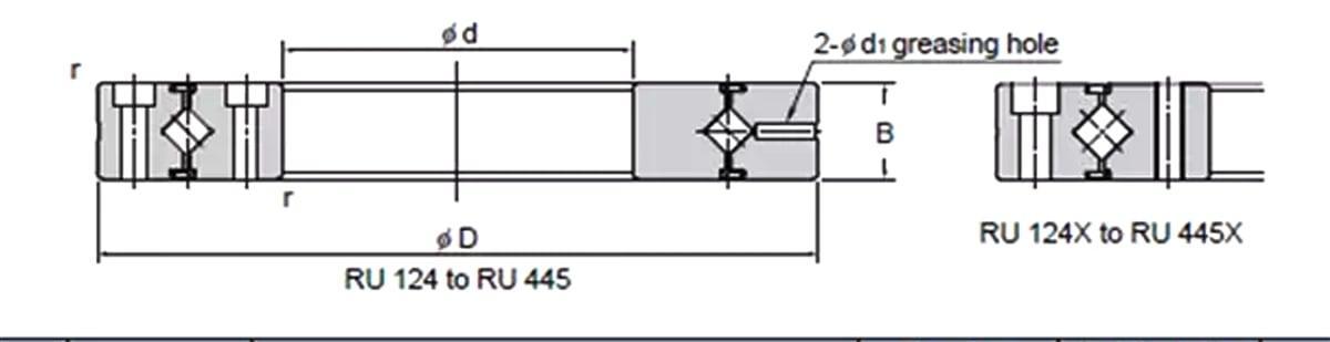
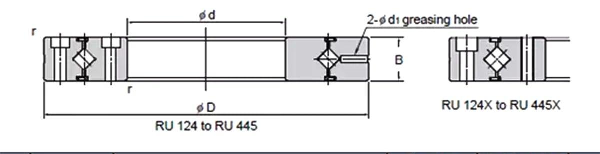
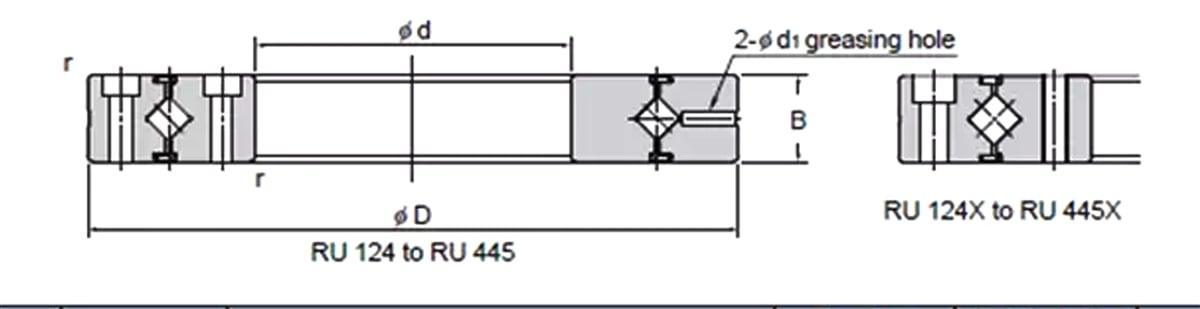
RU228UU Met de Cross-Roller Ring zijn cilindrische rollen kruisgewijs gerangschikt. Dit ontwerp maakt het mogelijk dat slechts één lager belastingen in alle richtingen kan opvangen, inclusief radiale, axiale en momentbelasting. De binnen- en buitenringen zijn ontworpen om scheidbaar te zijn, de lagerspeling kan worden aangepast. Bovendien wordt een zeer nauwkeurige roterende beweging gegarandeerd door de lagerspeling aan te passen om een voorbelasting te bieden.
|
Delen



