1
/
van
4
VXB
RU297UU Kruisrol Draaischijf Draairing Lager 210x380x40mm
RU297UU Kruisrol Draaischijf Draairing Lager 210x380x40mm
Normale prijs
$1,391.50 USD
Normale prijs
$1,548.00 USD
Aanbiedingsprijs
$1,391.50 USD
Eenheidsprijs
/
per
Verzendkosten worden berekend bij de checkout.
Kan beschikbaarheid voor afhalen niet laden
RU297UU Kruisrolager 210x380x40mm |
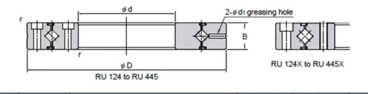
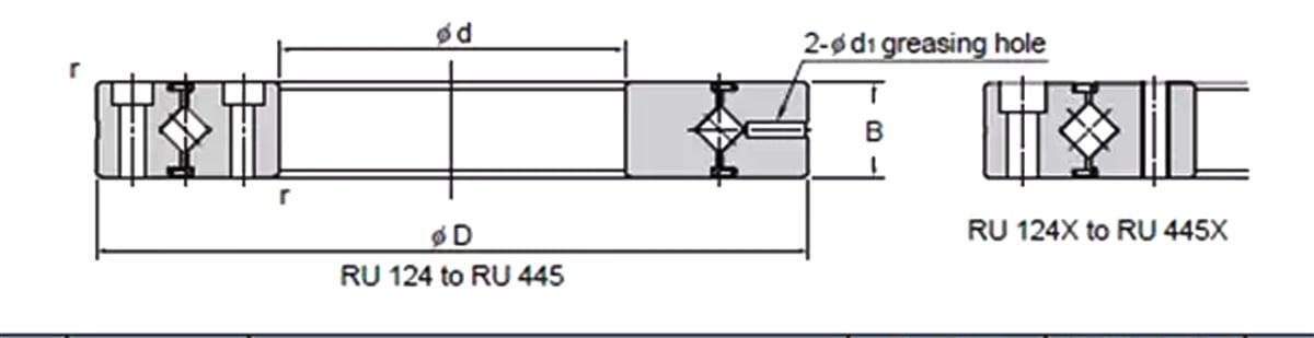
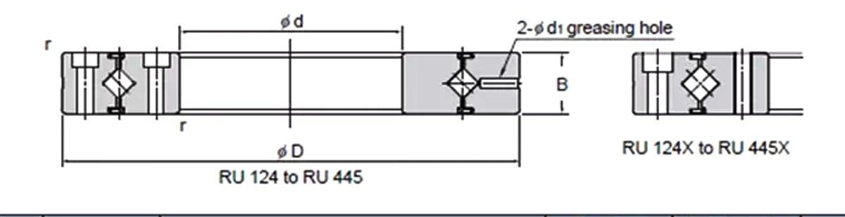
RU297UU Met de kruisrolring zijn cilindrische rollen kruisgewijs gerangschikt. Dit ontwerp maakt het mogelijk dat slechts één lager belastingen in alle richtingen kan opnemen, inclusief radiale, axiale en momentbelasting. De binnen- en buitenringen zijn ontworpen om scheidbaar te zijn, de lagerspeling kan worden aangepast. Bovendien wordt een zeer nauwkeurige roterende beweging gegarandeerd door de lagerspeling aan te passen om een voorbelasting te bieden.
|
Delen



