VXB
RU42UU gekruiste rollager draaibare ring draaiplateau lager 20x70x12mm
RU42UU gekruiste rollager draaibare ring draaiplateau lager 20x70x12mm
Kan beschikbaarheid voor afhalen niet laden
RU42UU Kruisrollenlager - Compact & Hoge precisie
✨ 20mm x 70mm x 12mm - Ondersteuning van belasting in alle richtingen - VXB merk
De RU42UU is een hoogprecisie kruisrollenlager dat cilindrische rollen gebruikt die onder rechte hoeken ten opzichte van elkaar zijn geplaatst, waardoor het gelijktijdig radiale, axiale en momentbelastingen kan verwerken. Perfect voor robotica, indexeertafels en compacte roterende mechanismen, biedt dit lager stijfheid, instelbare voorbelasting en soepele rotatienauwkeurigheid in een klein formaat.
🟢 Afmeting: 20mm binnendiameter x 70mm buitendiameter x 12mm breedte
🟢 Lager type: Kruisrollenlager
🟢 Afsluiting: Open
🟢 Merk: VXB
🟢 Constructie: Afneembare binnen- en buitenringen voor eenvoudige installatie en voorbelastingaanpassing
🟢 Dynamische belastingswaarde: 7350 N
🟢 Statische belastingswaarde: 8350 N
🟢 Zeer stijve en nauwkeurige roterende beweging
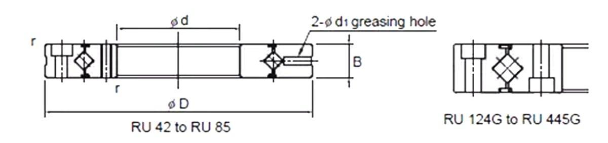
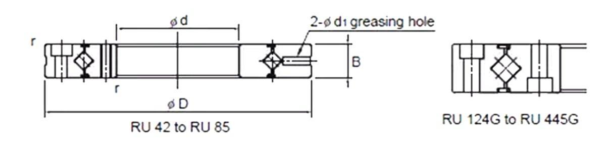
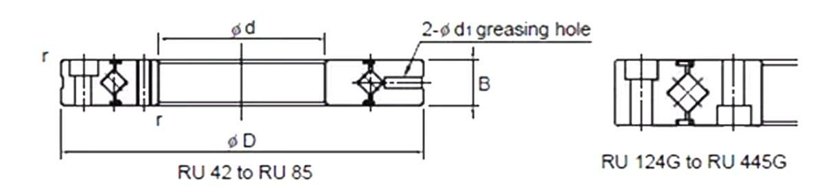
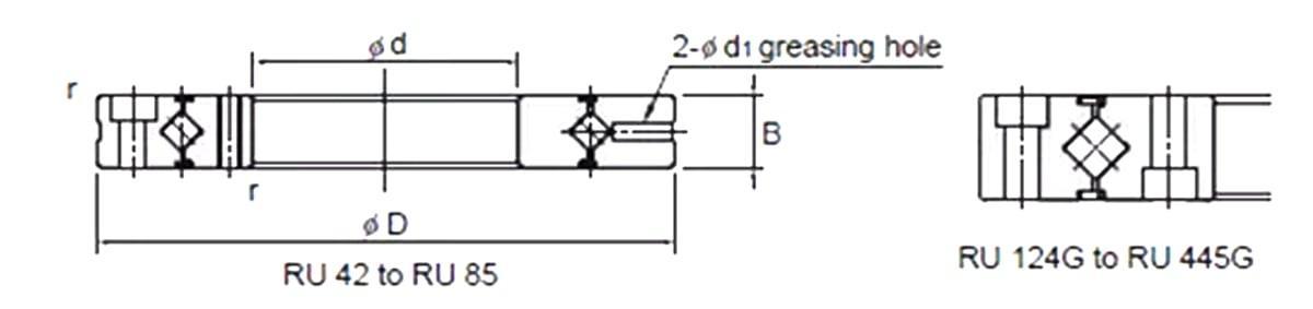
Montage- en technische details (mm):
-
Roller steekcirkel diameter (dp): 42 mm
-
PCD1: 28 mm - 6x M3 doorlopende gaten
-
PCD2: 57 mm - 6x Ø3,4mm gaten met Ø6,5mm verzonken gat (diepte: 3,3mm)
-
Vetpoortgat: 3,1 mm
-
Andere specificaties: d₁ = 0,6mm, ds = 37mm, Dh = 47mm
Delen
