1
/
van
4
VXB
RU66UU Kruisrol Draaischijf Lager 35x95x15mm
RU66UU Kruisrol Draaischijf Lager 35x95x15mm
Normale prijs
$268.77 USD
Normale prijs
$299.00 USD
Aanbiedingsprijs
$268.77 USD
Eenheidsprijs
/
per
Verzendkosten worden berekend bij de checkout.
Kan beschikbaarheid voor afhalen niet laden
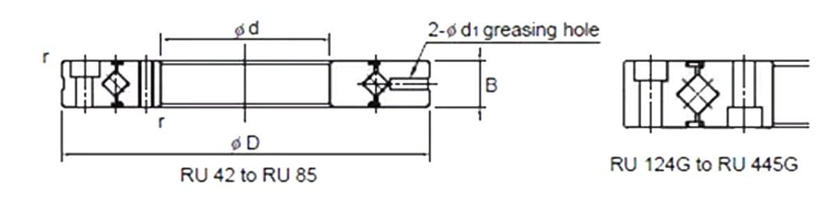
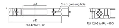
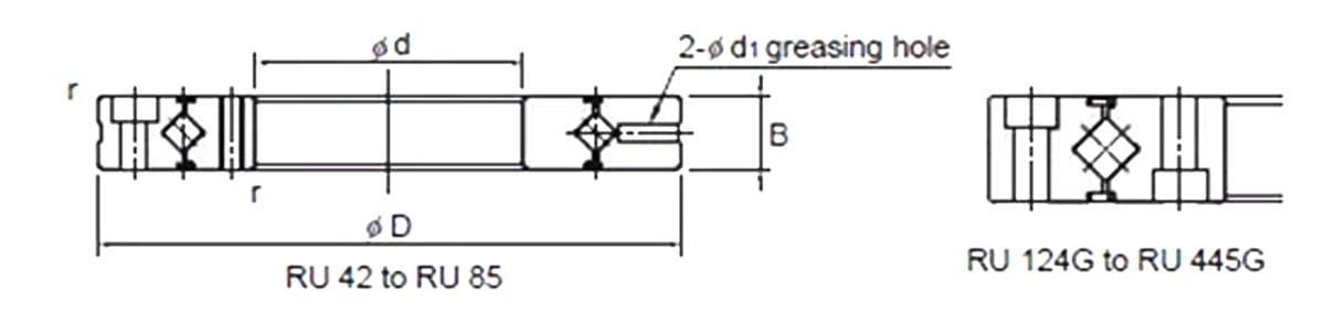
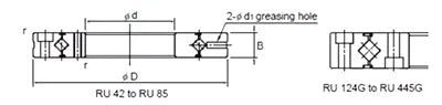
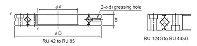
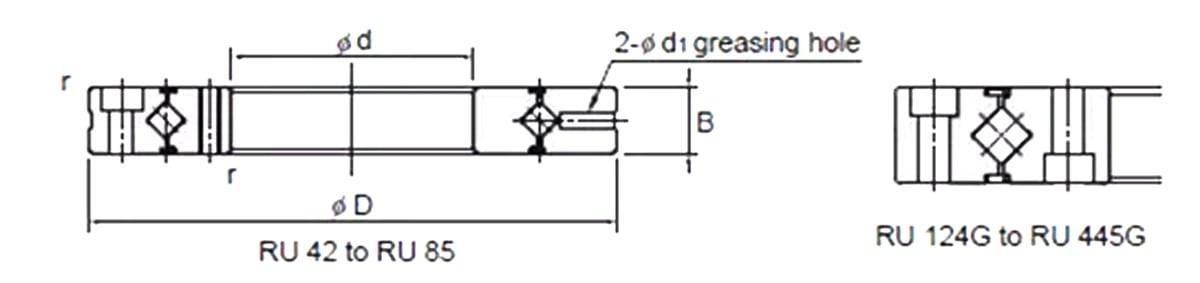
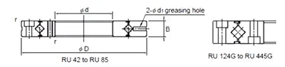
| RU66UU Kruislager 35x95x15mm |
|
RU66UU Met de Cross-Roller Ring zijn cilindrische rollen kruisgewijs gerangschikt. Dit ontwerp maakt het mogelijk dat slechts één lager belastingen in alle richtingen opvangt, inclusief radiale, axiale en momentbelasting. De binnen- en buitenringen zijn ontworpen om scheidbaar te zijn, de lagerspeling kan worden aangepast. Bovendien wordt een zeer nauwkeurige roterende beweging gegarandeerd door de lagerspeling aan te passen om een voorbelasting te bieden.
|
Delen
