VXB
RU85UU Kruisrol Draaischijf Draairing Lager 55x120x15mm
RU85UU Kruisrol Draaischijf Draairing Lager 55x120x15mm
Kan beschikbaarheid voor afhalen niet laden
RU85UU Kruisrol-draairing draaitafellager - Hoge precisie
✨ 55mm binnendiameter - 120mm buitendiameter - 15mm breed
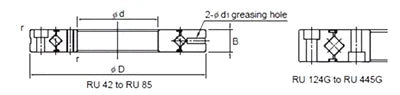
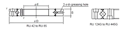
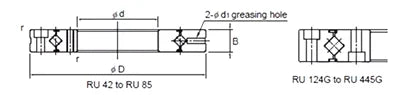
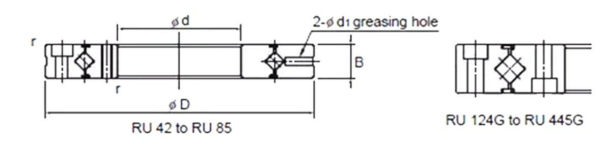
De RU85UU is een compacte, hoogprecisie kruisrollager ontworpen om belastingen in alle richtingen te ondersteunen - radiaal, axiaal en moment - met een unieke opstelling van cilindrische rollen die haaks op elkaar staan. De geïntegreerde binnen- en buitenringen hebben montagegaten voor directe installatie, waardoor het ideaal is voor draaitafels, roterende tafels, robotgewrichten en precisie-indexeringsapparatuur.
🟢 Type: Kruisrol-draairinglager
🟢 Aanduiding: RU85UU
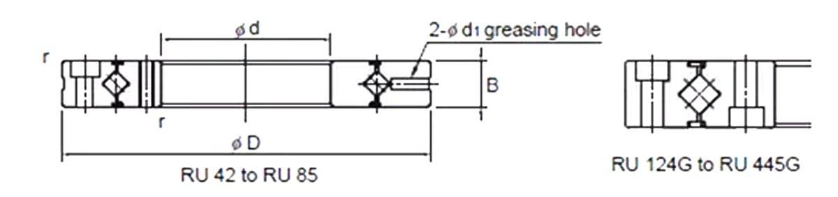
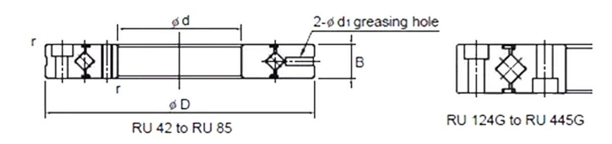
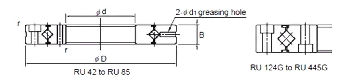
🟢 Binnen diameter: 55mm
🟢 Buiten diameter: 120mm
🟢 Breedte: 15mm
🟢 Rollerspiraalcirkel diameter (dp): 85mm
🟢 Montagegaten:
- Binnenring: PCD1 = 65mm, 8 gaten, M5 doorlopend
- Buitenring: PCD2 = 105mm, 8 gaten, 5,5mm doorgeboord, 9,5mm verzonken diepte 5,4mm
🟢 Belastingsafhandeling: Gecombineerde radiale, axiale en momentbelastingen
🟢 Sluitingen: Open
🟢 Aantal: 1 lager
🟢 Merk: VXB
Delen
