Pomiń, aby przejść do informacji o produkcie
1 z 4

VXB

17mm łożysko kołnierzowe KFL003 miniaturowe łożysko z blokiem poduszkowym

17mm łożysko kołnierzowe KFL003 miniaturowe łożysko z blokiem poduszkowym

Cena regularna $10.36 USD
Cena regularna $14.99 USD Cena promocyjna $10.36 USD
W promocji Wyprzedane
Koszt wysyłki obliczony przy realizacji zakupu.
Łożysko KFL003 z kołnierzem, miniaturowe łożysko z blokiem poduszkowym
Stop cynku
Średnica wewnętrzna 17mm


Łożysko KFL003 z kołnierzem, miniaturowe łożysko z blokiem poduszkowym, KFL003 wykonane ze stopu cynku, średnica wewnętrzna 17 mm.

  • Łożysko KFL003
  • Łożysko z kołnierzem miniaturowe zamontowane na bloku poduszkowym
  • Rozmiar śruby: M6
  • Łożysko nr: K003
  • Obudowa nr: FL003
  • Podstawowe obciążenie dynamiczne: 4606 N
  • Podstawowe obciążenie statyczne: 1906 N
  • Ilość: 1 łożysko


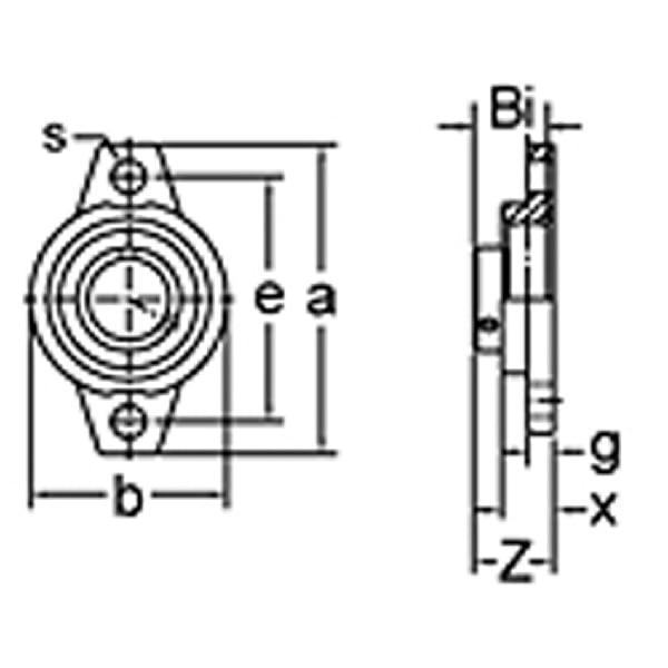
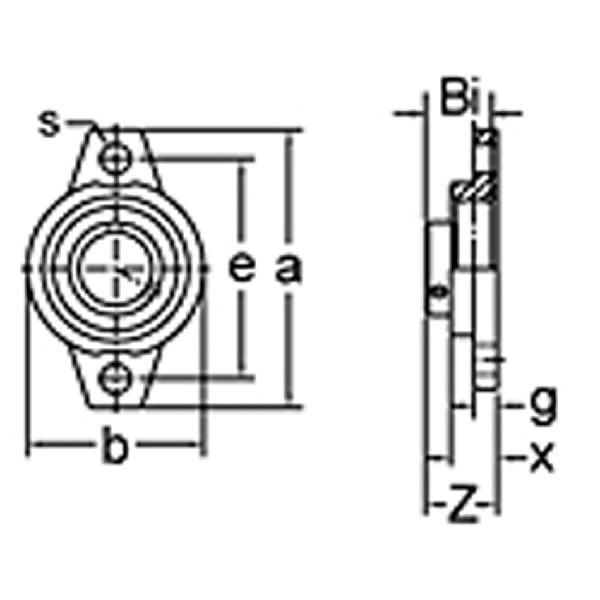
Wymiary (mm)
d Esencja E Ja G B S G Z L N
17 71 56 7 7 14 7 46 19.5 17.5 5


Pokaż kompletne dane