VXB
Wkład łożyska HC209-26 - ekscentryczna opaska 1 5/8" zamontowana
Wkład łożyska HC209-26 - ekscentryczna opaska 1 5/8" zamontowana
Cena regularna
$58.50 USD
Cena regularna
$65.00 USD
Cena promocyjna
$58.50 USD
Cena jednostkowa
/
na
Koszt wysyłki obliczony przy realizacji zakupu.
Nie można załadować gotowości do odbioru
|
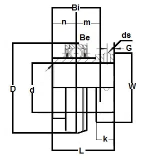
Wkład łożyska HC209-26 Ekscentryczny kołnierz blokujący Średnica wewnętrzna 1 5/8" cala |
Wkład łożyska HC209-26, łożysko o standardowej nośności, łożysko z szerokim pierścieniem wewnętrznym i kulistym pierścieniem zewnętrznym, łożysko z rowkiem do ponownego smarowania z otworem olejowym po stronie śruby ustalającej, łożysko z otworem olejowym naprzeciwko rowka, co czyni je wymiennym ze wszystkimi producentami, łożysko z nylonową łatą klasy 3A na śrubę ustalającą, standardowa uszczelka to uszczelka R.
|
| Wymiary (cale) | ||||||||||
|---|---|---|---|---|---|---|---|---|---|---|
| G | L | Bi | Bądź | r | n | m | S | K | G | ds(UNF-Gwint) |
| 3-11/32" | 2-7/32" | 1-11/16" | 57/64" | 5/64" | 27/32" | 27/32" | 2-1/2" | 23/32" | 0.256" | 3/8-24x3/8 |
Udostępnij
