VXB
Wkład łożyska HC211-33 - Ekscentryczna obroża 2 1/16" zamontowana
Wkład łożyska HC211-33 - Ekscentryczna obroża 2 1/16" zamontowana
Cena regularna
$89.99 USD
Cena regularna
$99.99 USD
Cena promocyjna
$89.99 USD
Cena jednostkowa
/
na
Koszt wysyłki obliczony przy realizacji zakupu.
Nie można załadować gotowości do odbioru
|
Wkład łożyska HC211-33 Ekscentryczny kołnierz blokujący Średnica wewnętrzna 2 1/16" cala |
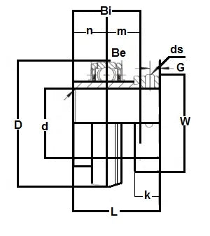
Wkład łożyska HC211-33, łożysko o standardowej nośności, łożysko z szerokim pierścieniem wewnętrznym i kulistym pierścieniem zewnętrznym, łożysko z rowkiem do ponownego smarowania z otworem olejowym po stronie śruby ustalającej, łożysko z otworem olejowym naprzeciwko rowka, co czyni je wymiennym ze wszystkimi producentami, łożysko z nylonową łatą klasy 3A i śrubą ustalającą, standardowa uszczelka to uszczelka R.
|
| Wymiary (cale) | ||||||||||
|---|---|---|---|---|---|---|---|---|---|---|
| G | L | Bi | Bądź | r | n | m | S | K | G | ds(UNF-Gwint) |
| 3-15/16" | 2-13/16" | 2-3/16" | 63/64" | 0.098" | 1-7/64" | 1-7/64" | 3" | 13/16" | 0.315" | 7/16-20x7/16 |
Udostępnij
