VXB
KR72 72mm łożysko igiełkowe z rolką prowadzącą cam follower
KR72 72mm łożysko igiełkowe z rolką prowadzącą cam follower
Nie można załadować gotowości do odbioru
KR72 łożysko ślizgowe 72 mm Łożysko igiełkowe Jedno łożysko |
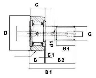
KR72 łożysko ślizgowe 72 mm 🟢 Łożysko igiełkowe KR72 Cam Follower jest solidnie wykonane do zastosowań ciężkich i wysokociśnieniowych. Zaprojektowane z wałkiem 24 mm, średnicą zewnętrzną 72 mm i całkowitą długością 80 mm, to łożysko ślizgowe łatwo radzi sobie zarówno z obciążeniami promieniowymi, jak i osiowymi. Gwintowany trzpień M24x1.5 umożliwia szybki i bezpieczny montaż – gotowe do pracy od razu po wyjęciu z pudełka! 🟢 Specyfikacje produktu:
|
Udostępnij



