VXB
Łożysko obrotowe pierścieniowe RU124UU z krzyżowymi wałeczkami 80x165x22mm
Łożysko obrotowe pierścieniowe RU124UU z krzyżowymi wałeczkami 80x165x22mm
Cena regularna
$461.14 USD
Cena regularna
$513.00 USD
Cena promocyjna
$461.14 USD
Cena jednostkowa
/
na
Koszt wysyłki obliczony przy realizacji zakupu.
Nie można załadować gotowości do odbioru
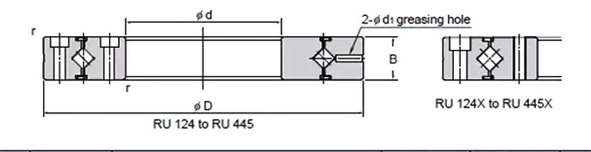
| RU124UU Łożysko krzyżowe z wałeczkami 80x165x22mm |
|
RU124UU Z pierścieniem krzyżowym wałeczków, wałeczki cylindryczne są ułożone krzyżowo. Ta konstrukcja pozwala jednemu łożysku przenosić obciążenia we wszystkich kierunkach, w tym promieniowe, osiowe i momentowe. Pierścień wewnętrzny i zewnętrzny są zaprojektowane tak, aby można je było rozdzielić, a luz łożyska można regulować. Dodatkowo, bardzo precyzyjny ruch obrotowy jest zapewniony przez regulację luzu łożyska w celu uzyskania wstępnego napięcia.
|
Udostępnij
