VXB
Łożysko obrotowe RU228UU z krzyżowymi wałeczkami 160x295x35mm
Łożysko obrotowe RU228UU z krzyżowymi wałeczkami 160x295x35mm
Cena regularna
$1,084.07 USD
Cena regularna
$1,206.00 USD
Cena promocyjna
$1,084.07 USD
Cena jednostkowa
/
na
Koszt wysyłki obliczony przy realizacji zakupu.
Nie można załadować gotowości do odbioru
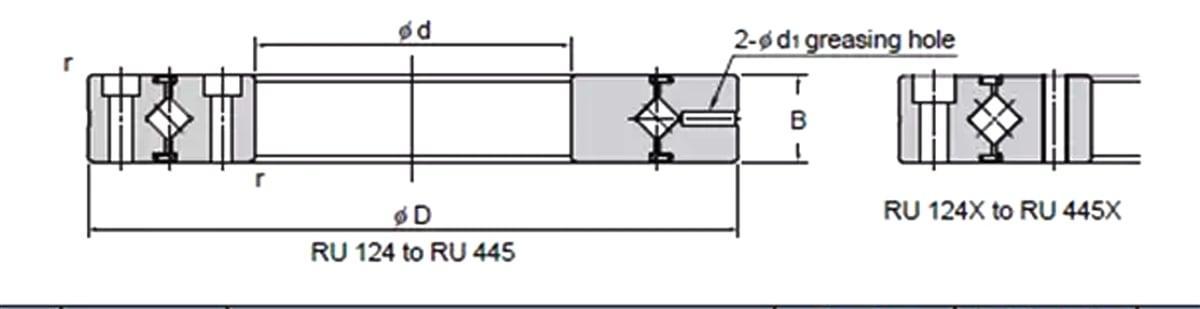
| RU228UU Łożysko krzyżowe z wałeczkami 160x295x35mm |
|
RU228UU Z pierścieniem krzyżowym wałeczków, wałeczki cylindryczne są ułożone krzyżowo. Ta konstrukcja pozwala jednemu łożysku przenosić obciążenia we wszystkich kierunkach, w tym promieniowe, osiowe oraz momenty obrotowe. Pierścień wewnętrzny i zewnętrzny są zaprojektowane jako rozłączne, co umożliwia regulację luzu łożyska. Dodatkowo, bardzo precyzyjny ruch obrotowy jest zapewniony przez regulację luzu łożyska w celu uzyskania wstępnego napięcia.
|
Udostępnij
