1
/
of
3
VXB
FHFD205-15 Bearing Flange 2 Bolt 15/16"
FHFD205-15 Bearing Flange 2 Bolt 15/16"
Regular price
$53.99 USD
Regular price
$59.99 USD
Sale price
$53.99 USD
Unit price
/
per
Shipping calculated at checkout.
Couldn't load pickup availability
| This item will be shipped within One Week Returns Subject to 15% restocking Fee |
|
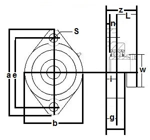
FHFD205-15 Flange Light Duty 2 Bolt Unit Ball Bearings Eccentric Locking Collar 15/16" Inch Inner Diameter |
FHFD205-15 Flange Light Duty 2 Bolt Unit Ball Bearing, Bearing is Light Duty and high grade cast iron, ideal for applications with limited mounting space, bearing is narrow inner ring, bearing is Non-relubricatable, Standard seal is RST tight riding, full cover, metal shroud seals.
|
| Dimensions (Inches) | |||||||||
|---|---|---|---|---|---|---|---|---|---|
| a | e | i | g | s | b | Z | L | n | W |
| 3-3/4" | 3" | 3/8" | 21/32" | 25/64" | 2-25/32" | 1-5/16 | 1-7/32" | 19/64" | 1-1/2" |
Share
