1
/
of
3
VXB
FHFTJ202D-10G Bearing Flange Standard 2 Bolt 5/8"
FHFTJ202D-10G Bearing Flange Standard 2 Bolt 5/8"
Regular price
$79.99 USD
Regular price
$88.88 USD
Sale price
$79.99 USD
Unit price
/
per
Shipping calculated at checkout.
Couldn't load pickup availability
| This item will be shipped within One Week Returns Subject to 15% restocking Fee |
|
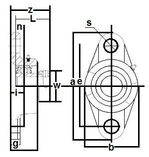
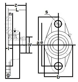
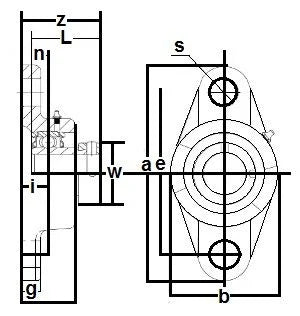
FHFTJ202D-10G Flange Standard 2 Bolt Unit Ball Bearings Eccentric Locking Collar 5/8" inch Inner Diameter |
FHFTJ202D-10G Flange Standard 2 Bolt Unit Ball Bearing, Bearing is Standard duty and high grade cast iron, bearing is solid base housing design for added strength, bearing is narrow inner ring, bearing is relubricatable, Standard seal is RST tight riding, full cover, metal shroud seals.
|
| Dimensions (Inches) | ||||||||||
|---|---|---|---|---|---|---|---|---|---|---|
| a | e | i | g | l | s | b | Z | L | n | W |
| 3-29/32" | 3" | 33/64" | 25/64" | 55/64" | 27/64" | 2-1/8" | 1-25/64" | 1-1/8" | 0.256" | 1-1/8" |
Share
