1
/
of
3
VXB
FHLF207-20G Bearing Flange 2 Bolt 1-1/4"
FHLF207-20G Bearing Flange 2 Bolt 1-1/4"
Regular price
$79.99 USD
Regular price
$88.88 USD
Sale price
$79.99 USD
Unit price
/
per
Shipping calculated at checkout.
Couldn't load pickup availability
| This item will be shipped within One Week Returns Subject to 15% restocking Fee |
|
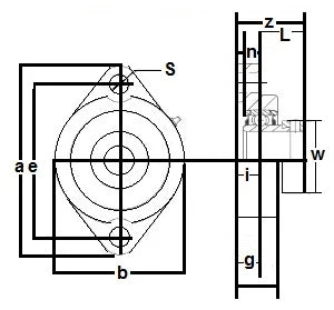
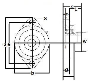
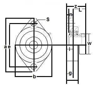
FHLF207-20G Flange Light Duty 2 Bolt Unit Ball Bearings Eccentric Locking Collar 1 1/4" inch Inner Diameter |
FHLF207-20G Flange Light Duty 2 Bolt Unit Ball Bearing, Bearing is Light Duty and high grade cast iron, ideal for applications with limited mounting space, bearing is narrow inner ring, bearing is relubricatable, Standard seal is RST tight riding, full cover, metal shroud seals.
|
| Dimensions (inches) | ||||||||||
|---|---|---|---|---|---|---|---|---|---|---|
| a | e | i | g | l | s | b | Z | L | n | W |
| 4-13/16" | 3-15/16" | 33/64" | 33/64" | 15/16" | 15/32" | 3-1/2" | 1-11/16" | 1-17/32" | 3/8" | 2-3/16" |
Share
