1
/
of
3
VXB
FHP202-9G Pillow Block Standard Shaft Height 9/16 Bearing
FHP202-9G Pillow Block Standard Shaft Height 9/16 Bearing
Regular price
$89.99 USD
Regular price
$99.99 USD
Sale price
$89.99 USD
Unit price
/
per
Shipping calculated at checkout.
Couldn't load pickup availability
| This item will be shipped within One Week Returns Subject to 15% restocking Fee |
|
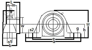
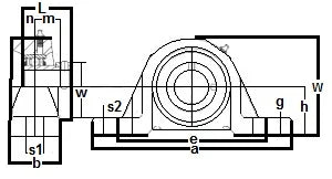
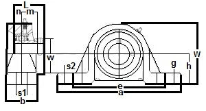
FHP202-9G Pillow Block Standard Shaft Height Ball Bearing Eccentric Locking Collar 9/16" Inner Diameter |
FHP202-9G Pillow Block Standard Shaft Height Ball Bearing, Bearing is solid foot housing design, bearing has Narrow inner ring, bearing is Non-relubricatable unit, Standard seal is RST tight riding, full cover, metal shroud seals.
|
| Dimensions (inches) | |||||||||||
|---|---|---|---|---|---|---|---|---|---|---|---|
| h | a | e | b | s1 | s2 | g | w | L | n | m | W |
| 1-3/16" | 5-15/32" | 3-5/8" | 1-17/64" | 7/16" | 7/8" | 15/32" | 2-7/32" | 1-1/8" | 0.256"<> | 1/2" | 1-1/8" |
Share
