1
/
of
3
VXB
FHP210-29G Pillow Block Standard Shaft Height 1 13/16 Bearing
FHP210-29G Pillow Block Standard Shaft Height 1 13/16 Bearing
Regular price
$256.49 USD
Regular price
$284.99 USD
Sale price
$256.49 USD
Unit price
/
per
Shipping calculated at checkout.
Couldn't load pickup availability
| This item will be shipped within One Week Returns Subject to 15% restocking Fee |
|
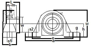
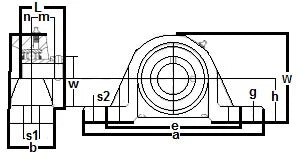
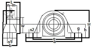
FHP210-29G Pillow Block Standard Shaft Height Ball Bearing Eccentric Locking Collar 1 13/16" Inner Diameter |
FHP210-29G Pillow Block Standard Shaft Height Ball Bearing, Bearing is solid foot housing design, bearing has Narrow inner ring, bearing is Non-relubricatable unit, Standard seal is RST tight riding, full cover, metal shroud seals.
|
| Dimensions (inches) | |||||||||||
|---|---|---|---|---|---|---|---|---|---|---|---|
| h | a | e | b | s1 | s2 | g | w | L | n | m | W |
| 2-1/4" | 8-1/8" | 6-1/4" | 2-3/16" | 25/32" | 7/8" | 3/4" | 4-9/16" | 1-23/32" | 0-7/16" | 3/4" | 2-3/4" |
Share
