1
/
of
3
VXB
FHPW205-16 Pillow Block Cast Iron 1" Bearing
FHPW205-16 Pillow Block Cast Iron 1" Bearing
Regular price
$63.00 USD
Regular price
$70.00 USD
Sale price
$63.00 USD
Unit price
/
per
Shipping calculated at checkout.
Couldn't load pickup availability
| This item will be shipped within One Week Returns Subject to 15% restocking Fee |
|
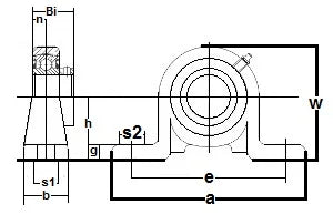
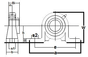
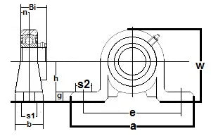
FHPW205-16 Pillow Block Ductile Light Duty Ball Bearing Eccentric Locking Collar 1" Inch Inner Diameter |
FHPW205-16 Pillow Block Ductile Light Duty Ball Bearing, Bearing is solid foot housing design, bearing has Narrow inner ring, bearing is Non-relubricatable unit, Standard seal is RST tight riding, full cover, metal shroud seals.
|
| Dimensions (Inches) | ||||||||||||
|---|---|---|---|---|---|---|---|---|---|---|---|---|
| h | a | e | b | s1 | s2 | g | w | L | n | m | i | W |
| 1-7/16" | 5" | 3-15/16" | 1-1/8" | 7/16" | 5/8" | 13/32" | 2-11/16" | 1-7/32" | 19/64" | 35/64" | 3/8" | 1-1/4" |
Share
