1
/
of
3
VXB
FHPW207-22G Pillow Block Cast Iron 1-3/8" Bearing
FHPW207-22G Pillow Block Cast Iron 1-3/8" Bearing
Regular price
$110.69 USD
Regular price
$122.99 USD
Sale price
$110.69 USD
Unit price
/
per
Shipping calculated at checkout.
Couldn't load pickup availability
| This item will be shipped within One Week Returns Subject to 15% restocking Fee |
|
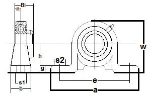
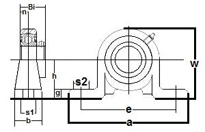
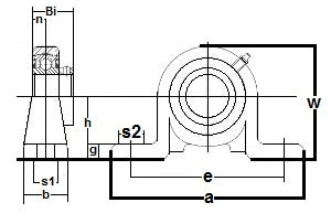
FHPW207-22G Pillow Block Ductile Light Duty Ball Bearing Eccentric Locking Collar 1 3/8" Inch Inner Diameter |
FHPW207-22G Pillow Block Ductile Light Duty Ball Bearing, Bearing is solid foot housing design, bearing has Narrow inner ring, bearing is relubricatable unit, Standard seal is RST tight riding, full cover, metal shroud seals.
|
| Dimensions (Inches) | ||||||||||||
|---|---|---|---|---|---|---|---|---|---|---|---|---|
| h | a | e | b | s1 | s2 | g | w | L | n | m | i | W |
| 1-7/8" | 6-1/4" | 5" | 1-3/8" | 9/16" | 13/16" | 7/16" | 3-5/32" | 1-13/32" | 3/8" | 5/8" | 17/32" | 2-13/64" |
Share
