1
/
of
3
VXB
FHPWC206-30mm Pillow Block Cast Iron 30mm Bearing
FHPWC206-30mm Pillow Block Cast Iron 30mm Bearing
Regular price
$89.99 USD
Regular price
$99.99 USD
Sale price
$89.99 USD
Unit price
/
per
Shipping calculated at checkout.
Couldn't load pickup availability
| This item will be shipped within One Week Returns Subject to 15% restocking Fee |
|
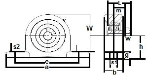
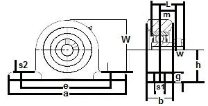
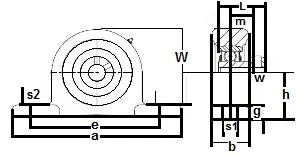
FHPWC206-30mm Pillow Block Cast Iron Light Duty Ball Bearing Eccentric Locking Collar 30mm Inner Diameter |
|
FHPWC206-30mm Pillow Block Cast Iron Light Duty Ball Bearing, bearing is eccentric locking collar, Bearing is solid foot housing design, bearing has Narrow inner ring, bearing is Non-relubricatable unit, Standard seal is RST tight riding, full cover, metal shroud seals.
|
||||||||||||||||||||||||||||||||||||||||||
Share
