1
/
of
3
VXB
FHSFLCTQ201-8 Bearing Flange Ductile Flush 2 Bolt 1/2" Bearing
FHSFLCTQ201-8 Bearing Flange Ductile Flush 2 Bolt 1/2" Bearing
Regular price
$63.00 USD
Regular price
$70.00 USD
Sale price
$63.00 USD
Unit price
/
per
Shipping calculated at checkout.
Couldn't load pickup availability
| This item will be shipped within One Week Returns Subject to 15% restocking Fee |
|
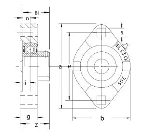
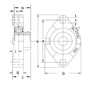
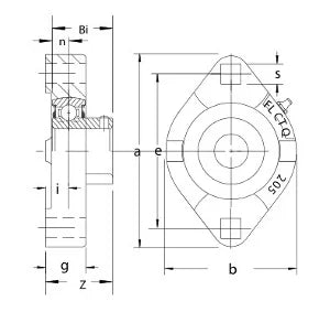
FHSFLCTQ201-8 Flange Ductile Flush 2 Bolt Unit Ball Bearings Set Screw Locking 1/2" Inch Inner Diameter |
FHSFLCTQ201-8 Flange Ductile Flush 2 Bolt Unit Ball Bearing, Bearing is standard duty and high grade cast iron, bearing is narrow inner ring, bearing is Non-relubricatable, Standard seal is RST tight riding, full cover, metal shroud seals.
|
| Dimensions (Inches) | ||||||||
|---|---|---|---|---|---|---|---|---|
| a | e | b | S1 | g | i | Z | Bi | n |
| 3-3/16" | 2-1/2" | 2-5/16" | 9/32" | 37/64" | 19/64" | 15/16" | 57/64" | 1/4" |
Share
