1
/
of
3
VXB
FHSR205-14-2FM Bearing Flange Pressed Steel 2 Bolt 7/8" Bearing
FHSR205-14-2FM Bearing Flange Pressed Steel 2 Bolt 7/8" Bearing
Regular price
$63.00 USD
Regular price
$70.00 USD
Sale price
$63.00 USD
Unit price
/
per
Shipping calculated at checkout.
Couldn't load pickup availability
| This item will be shipped within One Week Returns Subject to 15% restocking Fee |
|
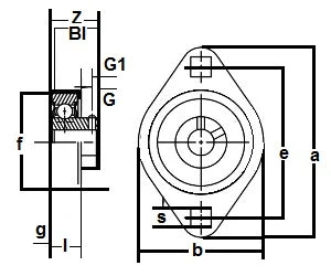
FHSR205-14-2FM Flange Pressed Steel 2 Bolt Ball Bearing Set Screw Locking 7/8" Inch Inner Diameter |
FHSR205-14-2FM Flange Pressed Steel 2 Bolt Ball Bearing, Bearing is one piece and light duty pressed steel housing, bearing is flush mount style ideal in tight mounting areas, bearing is zinc plated stamped steel, bearing is narrow inner ring, Standard seal is RST tight riding, full cover, metal shroud seals.
|
| Dimensions (Inches) | ||||||||||
|---|---|---|---|---|---|---|---|---|---|---|
| a | e | b | g | s | l | Z | BI | G1 | G | f |
| 3-3/4" | 3" | 2-51/64" | 5/64" | 11/32" | 19/32" | 1-1/16" | 63/64" | 15/64" | 11/64" | 1-55/64" |
Share
