1
/
of
4
FYH
FYH Bearing UCF-206-18 1 1/8 Square Flanged Mounted Bearing
FYH Bearing UCF-206-18 1 1/8 Square Flanged Mounted Bearing
Regular price
$71.99 USD
Regular price
$79.99 USD
Sale price
$71.99 USD
Unit price
/
per
Shipping calculated at checkout.
Couldn't load pickup availability
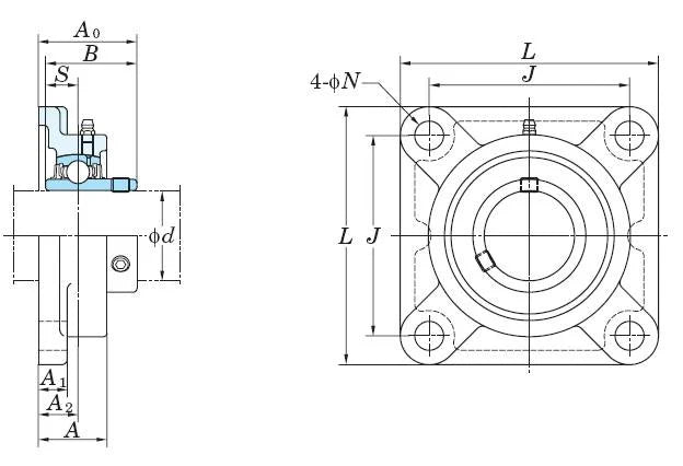
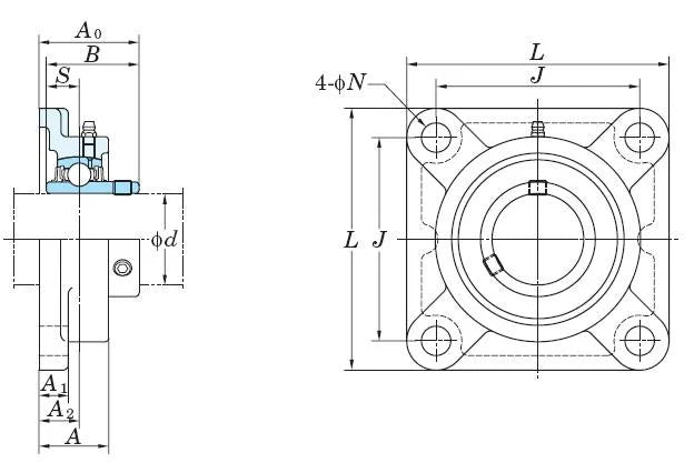
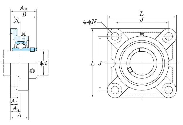
| UCF-206-18 FYH Bearing Square Flanged Mounted Bearing Cylindrical bore (with set screws) 1 1/8" Inner Diameter |
|
This heavy duty four-bolt flange unit has a round cartridge on the backside of the flange which allows for precise mounting and alignment.Applications are Rotating drum, rotating roller and when precise mounting accuracy is required.
|
||||||||||||||||||||||||||||||||||
Share
