1
/
of
3
FYH
FYH Bearing UCFC-209-28 1 3/4 Round Flanged Mounted Bearing
FYH Bearing UCFC-209-28 1 3/4 Round Flanged Mounted Bearing
Regular price
$115.19 USD
Regular price
$127.99 USD
Sale price
$115.19 USD
Unit price
/
per
Shipping calculated at checkout.
Couldn't load pickup availability
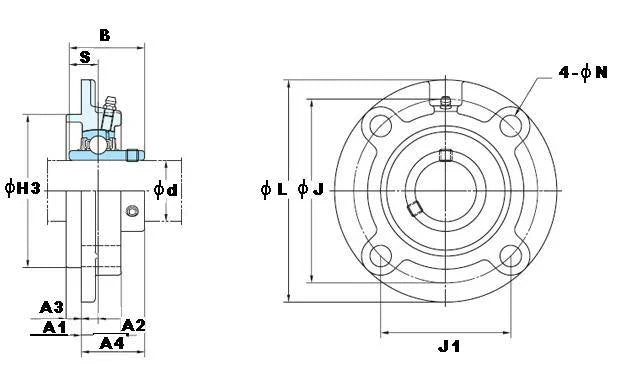
| UCFC-209-28 FYH Bearing Round flanged Mounted Bearing Cylindrical bore (with set screws) 1-3/4" Inner Diameter Bearing |
|
This four-bolt flange cartridge unit has a round cartridge on the backside of the flange which allows for precise mounting and alignment.Application are Rotating drum, rotating roller and areas where precise mounting accuracy is required.
|
|||||||||||||||||||||||||||||||||||||||
Share
