FYH
FYH Bearing UCP210-31 1-15/16" - Pillow Block - Mounted Bearing
FYH Bearing UCP210-31 1-15/16" - Pillow Block - Mounted Bearing
Couldn't load pickup availability
UCP210-31 FYH Pillow Block Bearing
✨ 1-15/16" ID - Cylindrical Bore with Set Screws
The UCP210-31 pillow block bearing is a heavy-duty mounted unit designed to handle tough radial loads in industrial applications. It features a robust cast housing and a cylindrical bore with set screws for secure shaft mounting. Ideal for conveyors, machinery, and high-load rotating systems.
🟢 Inner diameter: 1-15/16"
🟢 Cylindrical bore with locking set screws
🟢 Heavy-duty cast housing for shock and vibration resistance
🟢 Basic dynamic load: 35.1 kN
🟢 Basic static load: 23.3 kN
🟢 Bolt size: 5/8"
🟢 Bearing number: UC210-31
🟢 Quantity: 1 pillow block bearing
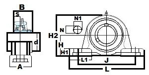
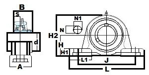
| d | H | L | A | J | N | N1 | H1 | H2 | L1 | B | S |
|---|---|---|---|---|---|---|---|---|---|---|---|
| 1 15/16" | 2-1/4" | 8-1/8" | 2-3/8" | 6-1/4" | 25/32" | 7/8" | 3/4" | 4-7/16" | 2-15/32" | 2-1/32" | 3/4" |
💡 What are pillow block bearings used for?
Pillow block bearings provide stable shaft support and reduce friction in rotating machinery, making them a top choice for industrial conveyors, farming equipment, and manufacturing systems.
Built for performance and durability in high-load, high-motion environments.
Share
