1
/
of
3
FYH
FYH Bearing UCPX20-63 3 15/16 Pillow Block Mounted Bearing
FYH Bearing UCPX20-63 3 15/16 Pillow Block Mounted Bearing
Regular price
$953.10 USD
Regular price
$1,059.00 USD
Sale price
$953.10 USD
Unit price
/
per
Shipping calculated at checkout.
Couldn't load pickup availability
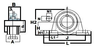
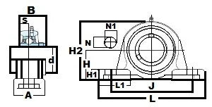
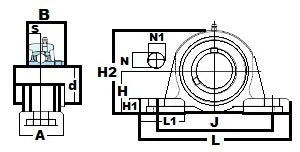
| UCPX20-63 FYH Bearing Pillow Block Bearing Cylindrical bore (with set screws) 3 15/16" Inner Diameter |
This is the most common type of mounted ball unit. The rib at the bottom of the housing mounting section provides for a robust unit that can withstand great loads from any direction. Mounted units with cast steel housings are also available in this series, and are used for applications with severe loading and shock load conditions. Tapered-bore style units are offered individually and adapters are sold separately.
|
| Dimensions (inches) | |||||||||||
|---|---|---|---|---|---|---|---|---|---|---|---|
| d | h | a | e | b | s1 | s2 | g | w | Bi | n | m |
| 3-15/16" | 5" | 17" | 4-3/4" | 13-1/4" | 1-5/16" | 2-9/16" | 1-25/32" | 9-21/32" | 4-31/32" | 4.626" | 1-15/16" |
Share
