1
/
of
4
FYH
FYH UCFA205-14 7/8 Adjustable oval 2-Bolt Flanged Mounted Bearing
FYH UCFA205-14 7/8 Adjustable oval 2-Bolt Flanged Mounted Bearing
Regular price
$63.00 USD
Regular price
$70.00 USD
Sale price
$63.00 USD
Unit price
/
per
Shipping calculated at checkout.
Couldn't load pickup availability
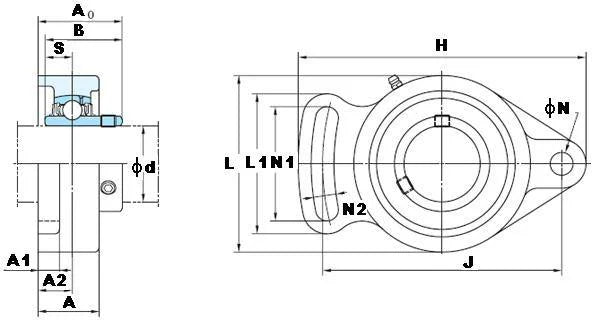
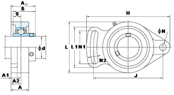
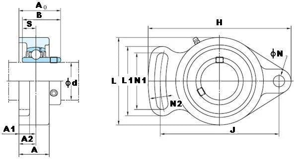
| UCFA205-14 FYH Bearing Adjustable oval two-bolt Flanged Bearing Cylindrical bore (with set screws) 7/8" Inner Diameter Bearing |
This oval flange type unit allows for anglular adjustment with a supporting point as the shaft center.when the bearing unit is installed, the bearing works fine adjustment of the supporting location for the shaft center is enabled.
|
| Dimensions (inches) | |||||||||||||
|---|---|---|---|---|---|---|---|---|---|---|---|---|---|
| d | H | L | A | J | N | N1 | N2 | L1 | A1 | A2 | A0 | B | S |
| 7/8" | 4-7/8" | 2-3/4" | 1-1/16" | 3-55/64" | 7/16" | 1-15/16" | 7/16" | 2-17/32" | 1/2" | 5/8" | 1-13/32" | 1-11/32" | 9/16" |
Share
