1
/
of
4
FYH
FYH UCFC-201-8 1/2 Round Flanged Bearing Mounted Bearing
FYH UCFC-201-8 1/2 Round Flanged Bearing Mounted Bearing
Regular price
$58.50 USD
Regular price
$65.00 USD
Sale price
$58.50 USD
Unit price
/
per
Shipping calculated at checkout.
Couldn't load pickup availability
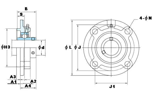
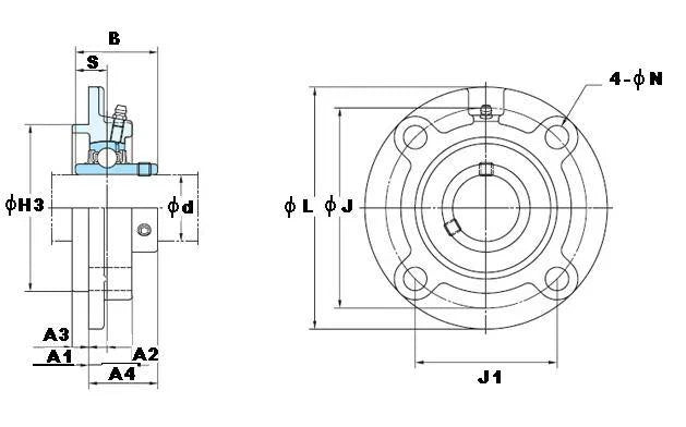
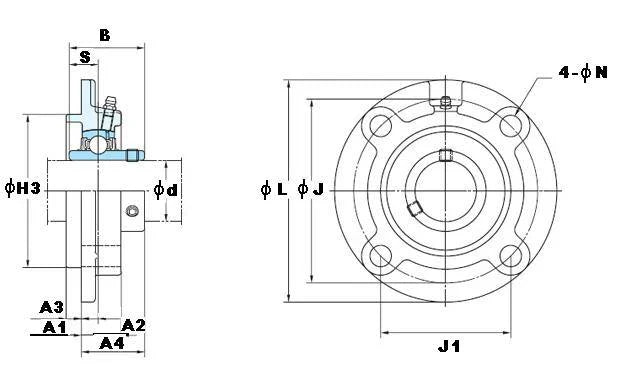
| UCFC-201-8 FYH Bearing Round flanged Mounted Bearing Cylindrical bore (with set screws) 1/2" Inner Diameter Bearing |
This four-bolt flange cartridge unit has a round cartridge on the backside of the flange which allows for precise mounting and alignment.Application are Rotating drum, rotating roller and areas where precise mounting accuracy is required.
|
| Dimensions (Inches) | |||||||||||
|---|---|---|---|---|---|---|---|---|---|---|---|
| d | L | H3 | J | J1 | N | A1 | A2 | A3 | A4 | B | S |
| 1/2" | 3-15/16" | 2.44" | 3-5/64" | 2-11/64" | 15/32" | 13/16" | 25/64" | 13/64" | 1-1/8" | 1.22" | 0.5" |
Share
