1
/
of
4
FYH
FYH UCFC-202-10 5/8 Round Flanged Bearing Mounted Bearing
FYH UCFC-202-10 5/8 Round Flanged Bearing Mounted Bearing
Regular price
$58.50 USD
Regular price
$65.00 USD
Sale price
$58.50 USD
Unit price
/
per
Shipping calculated at checkout.
Couldn't load pickup availability
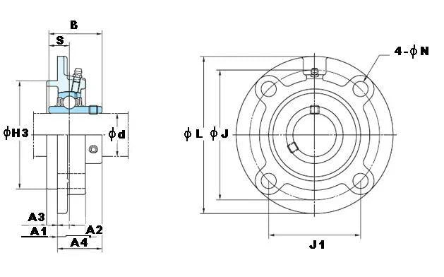
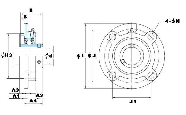
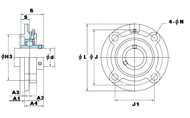
| UCFC-202-10 FYH Bearing Round flanged Mounted Bearing Cylindrical bore (with set screws) 5/8" Inner Diameter Bearing |
This four-bolt flange cartridge unit has a round cartridge on the backside of the flange which allows for precise mounting and alignment.Application are Rotating drum, rotating roller and areas where precise mounting accuracy is required.
|
| Dimensions (Inches) | |||||||||||
|---|---|---|---|---|---|---|---|---|---|---|---|
| d | L | H3 | J | J1 | N | A1 | A2 | A3 | A4 | B | S |
| 5/8" | 3-15/16 | 2.4409 | 3-5/64 | 2-11/64 | 15/32 | 13/16 | 25/64 | 13/64 | 1-1/8 | 1.22 | 0.5 |
Share
