1
/
of
4
FYH
FYH UCFC-205-14 7/8 Round Flanged Bearing Mounted Bearing
FYH UCFC-205-14 7/8 Round Flanged Bearing Mounted Bearing
Regular price
$63.00 USD
Regular price
$70.00 USD
Sale price
$63.00 USD
Unit price
/
per
Shipping calculated at checkout.
Couldn't load pickup availability
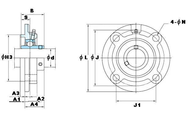
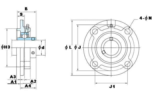
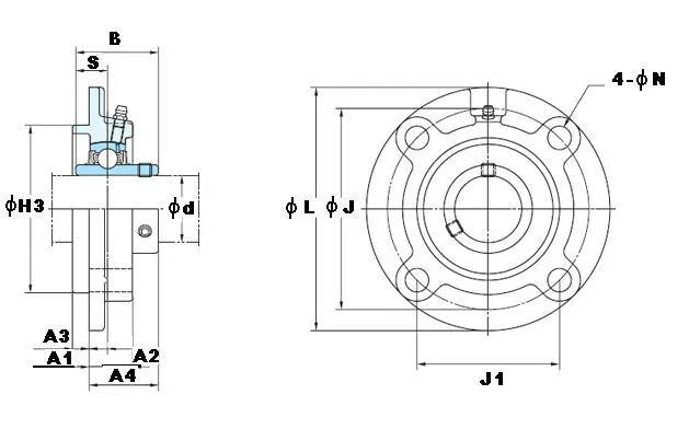
| UCFC-205-14 FYH Bearing Round flanged Mounted Bearing Cylindrical bore (with set screws) 7/8" Inner Diameter |
This four-bolt flange cartridge unit has a round cartridge on the backside of the flange which allows for precise mounting and alignment.Application are Rotating drum, rotating roller and areas where precise mounting accuracy is required.
|
| Dimensions (Inches) | |||||||||||
|---|---|---|---|---|---|---|---|---|---|---|---|
| d | L | H3 | J | J1 | N | A1 | A2 | A3 | A4 | B | S |
| 7/8" | 4-17/32" | 2.7559" | 3-35/64" | 2-1/2" | 15/32" | 13/16" | 25/64" | 15/64" | 1-3/16" | 1-11/32" | 9/16" |
Share
