1
/
of
3
FYH
FYH UCFC-207-20 1 1/4 Round Flanged Bearing Mounted Bearing
FYH UCFC-207-20 1 1/4 Round Flanged Bearing Mounted Bearing
Regular price
$89.99 USD
Regular price
$99.99 USD
Sale price
$89.99 USD
Unit price
/
per
Shipping calculated at checkout.
Couldn't load pickup availability
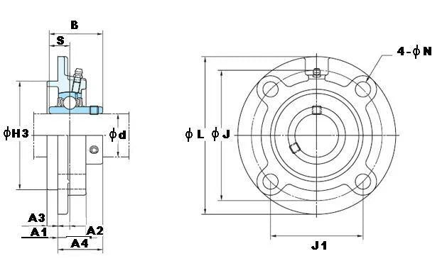
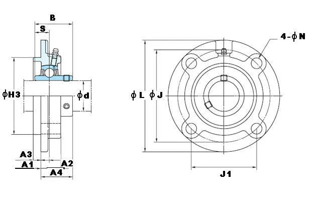
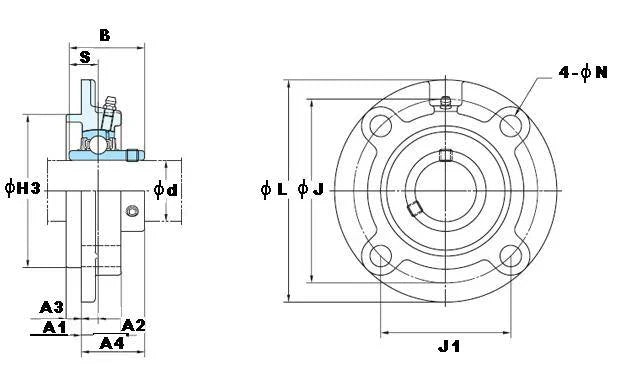
| UCFC-207-20 FYH Bearing Round flanged Mounted Bearing Cylindrical bore (with set screws) 1 1/4" Inner Diameter Bearing |
This four-bolt flange cartridge unit has a round cartridge on the backside of the flange which allows for precise mounting and alignment.Application are Rotating drum, rotating roller and areas where precise mounting accuracy is required.
|
| Dimensions (Inches) | |||||||||||
|---|---|---|---|---|---|---|---|---|---|---|---|
| d | L | H3 | J | J1 | N | A1 | A2 | A3 | A4 | B | S |
| 1-1/4" | 5-5/16" | 3-35/64" | 4-21/64" | 3-1/16" | 35/64" | 1-1/32" | 7/16" | 5/16" | 1-7/16" | 1-11/16" | 11/16" |
Share
