1
/
of
3
VXB
GER206-17 Bearing Insert GRIP-IT 360 Degree 1 1/16
GER206-17 Bearing Insert GRIP-IT 360 Degree 1 1/16
Regular price
$134.99 USD
Regular price
$149.99 USD
Sale price
$134.99 USD
Unit price
/
per
Shipping calculated at checkout.
Couldn't load pickup availability
| This item will be shipped within One Week Returns Subject to 15% restocking Fee |
|
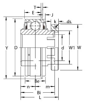
GER206-17 Bearing Insert GRIP-IT 360 Degree Locking Set Screw Locking 1 1/16" Inch Inner Diameter |
GER206-17 Bearing Insert GRIP-IT 360 Degree Locking, bearing is standard load capacity, bearing is Wide inner ring with Cylindrical outer ring and snap ring, bearing has relubrication groove with oil hole on side opposite of locking callar, bearing is black oxide plated inner and outer rings, bearing is nylon patched class 3A set screw, Standard seal is R-seal.
|
| Dimensions (Inches) | |||||||||||||
|---|---|---|---|---|---|---|---|---|---|---|---|---|---|
| D | Bi | Be | L | n | m | E | W1 | J | T | Y | K | W | ds (UNF-Thread) |
| 2-7/16" | 1-1/2" | 7/8" | 1-7/8" | 5/8" | 7/8" | 43/64" | 1-9/16" | 1/8" | 5/64" | 2-43/64" | 3/8" | 2-3/16" | 8-32x5/8 |
Share
