VXB
GER207-23 1-7/16" ID Bore Bearing Insert GRIP-IT 360 Degree
GER207-23 1-7/16" ID Bore Bearing Insert GRIP-IT 360 Degree
Couldn't load pickup availability
GER207-23 Grip-It Insert Bearing
✨ 1 7/16" ID - 360° Locking with Set Screws
The GER207-23 is a high-performance insert bearing with a wide inner ring and cylindrical outer ring, made for secure mounting in demanding setups. It features GRIP-IT 360° locking with nylon-patched set screws and a black oxide finish for extra corrosion resistance. Built for steady load support and smooth operation. Ships within one week. Returns are subject to a 15% restocking fee.
🟢 Shaft diameter: 1 7/16" inch
🟢 GRIP-IT 360° locking - nylon patch class 3A set screws
🟢 Wide inner ring with cylindrical outer and snap ring
🟢 Black oxide coated inner and outer rings
🟢 R-seal for better sealing and durability
🟢 Relubrication groove with oil hole opposite locking collar
🟢 Dynamic load rating: 19,440 N
🟢 Static load rating: 10,320 N
🟢 Quantity: One bearing
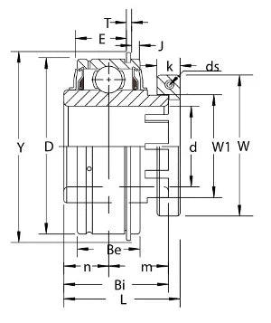
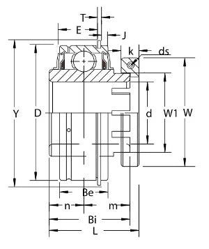
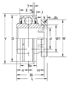
Dimension Table (Inches):
| D | Bi | Be | L | n | m | E | W1 | J | T | Y | K | W | ds (Thread) |
|---|---|---|---|---|---|---|---|---|---|---|---|---|---|
| 2-53/64" | 1-11/16" | 15/16" | 1-7/8" | 11/16" | 1" | 47/64" | 1-27/32" | 1/8" | 5/64" | 3-3/32" | 7/16" | 2-37/64" | 10-24 x 3/4 |
Share
