1
/
of
3
VXB
HC205 25mm Bearing Insert eccentric Collar 25mm Mounted
HC205 25mm Bearing Insert eccentric Collar 25mm Mounted
Regular price
$26.99 USD
Regular price
$29.99 USD
Sale price
$26.99 USD
Unit price
/
per
Shipping calculated at checkout.
Couldn't load pickup availability
|
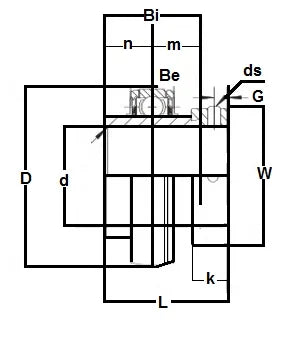
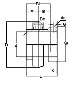
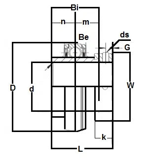
HC205 25mm Bearing Insert Eccentric Locking Collar 25mm Inner Diameter |
HC205 25mm Bearing Insert eccentric collar, Bearing is Standard load capacity, bearing is Wide inner ring with spherical outer ring, Bearing is re-lubrication groove with oil hole on set screw side, bearing has oil hole opposite groove makes it interchangeable with all manufacturers, bearing is nylon patched class 3A set screw, Standard seal is R-Seal.
|
| Dimensions (mm) | ||||||||||
|---|---|---|---|---|---|---|---|---|---|---|
| D | L | Bi | Be | r | n | m | W | K | G | ds(UNF-Thread) |
| 52 | 44.3 | 34.8 | 15 | 1.5 | 17.4 | 17.4 | 38.1 | 13.5 | 3.8 | M6xP1.0 |
Share
