1
/
of
3
VXB
HC211-35 Bearing Insert - eccentric collar 2 3/16" Mounted
HC211-35 Bearing Insert - eccentric collar 2 3/16" Mounted
Regular price
$89.99 USD
Regular price
$99.99 USD
Sale price
$89.99 USD
Unit price
/
per
Shipping calculated at checkout.
Couldn't load pickup availability
|
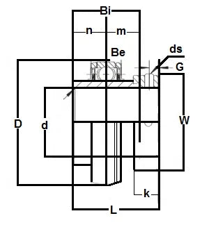
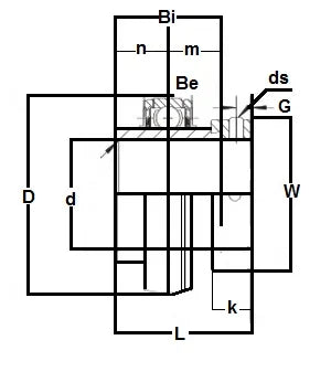
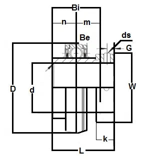
HC211-35 Bearing Insert Eccentric Locking Collar 2 3/16" Inch Inner Diameter |
HC211-35 Bearing Insert, Bearing is Standard load capacity, bearing is Wide inner ring with spherical outer ring, Bearing is re lubrication groove with oil hole on set screw side, bearing has oil hole opposite groove makes it interchangeable with all manufacturers, bearing is nylon patched class 3A set screw, Standard seal is R-Seal.
|
| Dimensions (Inches) | ||||||||||
|---|---|---|---|---|---|---|---|---|---|---|
| D | L | Bi | Be | r | n | m | W | K | G | ds(UNF-Thread) |
| 3-15/16" | 2-13/16" | 2-3/16" | 63/64" | 0.098" | 1-7/64" | 1-7/64" | 3" | 13/16" | 0.315" | 7/16-20x7/16 |
Share
