1
/
of
3
VXB
HC213-41 Bearing Insert - Eccentric Collar 2 9/16" Mounted
HC213-41 Bearing Insert - Eccentric Collar 2 9/16" Mounted
Regular price
$108.00 USD
Regular price
$120.00 USD
Sale price
$108.00 USD
Unit price
/
per
Shipping calculated at checkout.
Couldn't load pickup availability
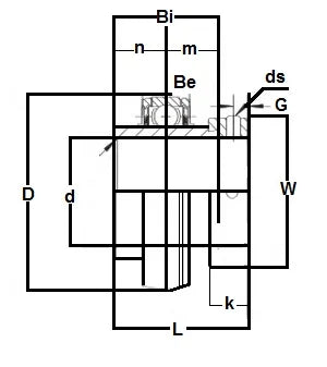
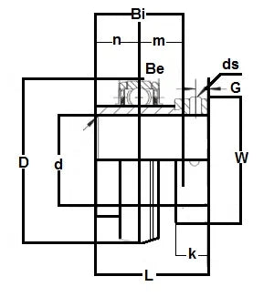
| HC213-41 Bearing Insert with Eccentric Collar 2 9/16" Inch Inner Diameter |
HC213-41 Bearing Insert with eccentric collar, Bearing is standard duty, bearing is Wide inner ring with spherical outer ring, Bearing is re lubrication groove with oil hole on set screw side, bearing is nylon patched class 3A set screw, Standard seal is R-Seal.
|
| Dimensions (Inches) | ||||||||
|---|---|---|---|---|---|---|---|---|
| D | Bi | Be | r | n | m | G | W | ds(UNF-Thread) |
| 4-23/32" | 2-9/16" | 1-1/16" | 0.098" | 1" | 1-9/16" | 31/64" | 3-15/64" | 3/8-24x3/8 |
Share
