1
/
of
3
VXB
HC216 80mm Bearing Insert - eccentric collar 80mm Mounted
HC216 80mm Bearing Insert - eccentric collar 80mm Mounted
Regular price
$243.89 USD
Regular price
$270.99 USD
Sale price
$243.89 USD
Unit price
/
per
Shipping calculated at checkout.
Couldn't load pickup availability
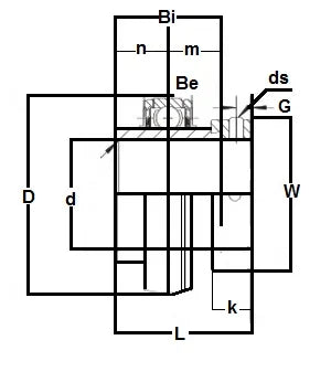
| HC216 80mm Bearing Insert Insert with eccentric collar 80mm Inner Diameter |
HC216 80mm Bearing Insert with eccentric collar, Bearing is standard duty, bearing is Wide inner ring with spherical outer ring, Bearing is rel ubrication groove with oil hole on set screw side, bearing is nylon patched class 3A set screw, Standard seal is R-Seal.
|
| Dimensions (mm) | ||||||||
|---|---|---|---|---|---|---|---|---|
| D | Bi | Be | r | n | m | G | W | ds(UNF-Thread) |
| 140 | 82.6 | 32 | 3 | 33.3 | 49.3 | 14 | 98.5 | M12xP1.5 |
Share
