1
/
of
2
VXB
HCF206-17 1 1/16" Square Flanged Mounted Bearing - eccentric collar
HCF206-17 1 1/16" Square Flanged Mounted Bearing - eccentric collar
Regular price
$53.99 USD
Regular price
$59.99 USD
Sale price
$53.99 USD
Unit price
/
per
Shipping calculated at checkout.
Couldn't load pickup availability
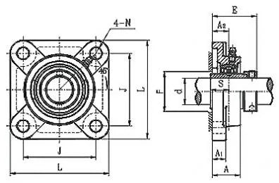
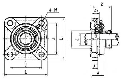
| HCF206-17 Bearing Square Flanged Mounted Bearing With Eccentric Locking Collar 1 1/16" Inches Inner Diameter |
|
HCF206-17 heavy duty four-bolt flange unit with a round cartridge on the backside of the flange which allows for precise mounting and alignment. Bearing has an eccentric locking Collar
|
| Dimensions | ||||||||
| A | A1 | A2 | E | J | L | N | S | F min. |
| 4 1/4" | 3 9/32" | 25/32" | 23/32" | 1 9/32" | 1 31/32" | 7/16" | 23/32" | 1 21/32" |
Share
