1
/
of
2
VXB
HCF209 45mm Square Flanged Mounted Bearing - Eccentric Collar
HCF209 45mm Square Flanged Mounted Bearing - Eccentric Collar
Regular price
$58.50 USD
Regular price
$65.00 USD
Sale price
$58.50 USD
Unit price
/
per
Shipping calculated at checkout.
Couldn't load pickup availability
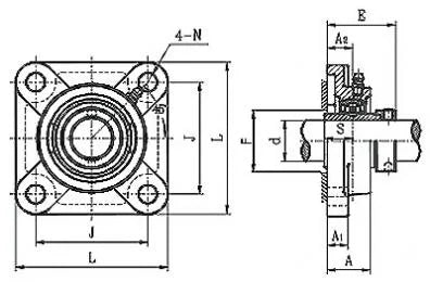
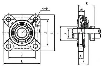
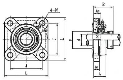
| HCF209 Square Flanged Mounted Bearing With Eccentric Collar 45mm Inner Diameter |
|
This heavy duty, four-bolt, flanged unit has a round cartridge on the backside of the flange which allows for precise mounting and alignment. Applications include rotating drums, rotating rollers and any application requiring precise mounting accuracy.
|
| Dimensions (mm) | |||||||||
|---|---|---|---|---|---|---|---|---|---|
| d | L | J | A2 | A1 | A | E | N | S | |
| 45mm | 137 | 105 | 22 | 16 | 38.0 | 56.9 | 16.0 | 21.4 | |
Share
