1
/
of
2
VXB
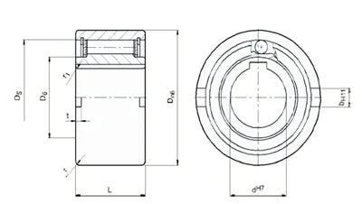
NF25 25mm Freewheel Clutch - One-Way Roller Type - Backstop/Overrunning 25x80x40mm
NF25 25mm Freewheel Clutch - One-Way Roller Type - Backstop/Overrunning 25x80x40mm
Regular price
$89.88 USD
Regular price
$99.99 USD
Sale price
$89.88 USD
Unit price
/
per
Shipping calculated at checkout.
Couldn't load pickup availability
NF25 One Way Clutch 25x80x40 |
|
NF25 is a one-way clutch used for overrunning, indexing, and backstopping. NF25 is used in any applications that requires one direction rotation, such as mining, hydraulic, textile, printing and washing machines, conveyor systems that carry products to a higher level should not be reversed because of gravity during any power shortage.
|
Share

