1
/
of
4
VXB
UC214 Black Oxide Plated Axle Bearing Insert 70mm Mounted
UC214 Black Oxide Plated Axle Bearing Insert 70mm Mounted
Regular price
$152.09 USD
Regular price
$168.99 USD
Sale price
$152.09 USD
Unit price
/
per
Shipping calculated at checkout.
Couldn't load pickup availability
|
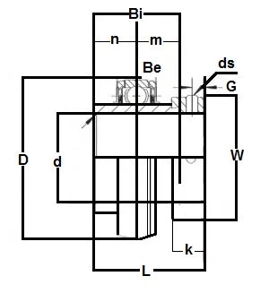
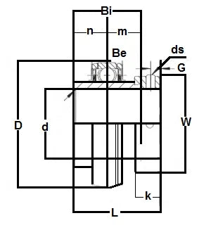
UC214 Black Oxide Plated Bearing Insert Bearing 70mm Inner Diameter |
|
UC214 70mm Black Oxide Plated Bearing Insert Bearing, Bearing is standard duty, bearing is Wide inner ring with spherical outer ring. Black oxide has certain properties and characteristics that makes it ideal for certain applications. It is used to add corrosion resistance and for appearance.
|
| Dimensions (mm) | ||||||||
|---|---|---|---|---|---|---|---|---|
| D | Bi | Be | r | n | m | G | W | ds(UNF-Thread) |
| 125 | 74.6 | 29 | 2.5 | 30.2 | 44.4 | 12 | 87 | M12xP1.5 |
Share
