1
/
จาก
2
VXB
ตลับลูกปืน 2 5/16" HCF212-37 ที่ติดตั้งในตัวเรือนหล่อแบบขอบสี่เหลี่ยม พร้อมปลอกเอียง
ตลับลูกปืน 2 5/16" HCF212-37 ที่ติดตั้งในตัวเรือนหล่อแบบขอบสี่เหลี่ยม พร้อมปลอกเอียง
ราคาปกติ
$70.11 USD
ราคาปกติ
$78.00 USD
ราคาโปรโมชัน
$70.11 USD
ราคาต่อหน่วย
/
ต่อ
ค่าจัดส่งที่คำนวณในขั้นตอนการชำระเงิน
ไม่สามารถโหลดความพร้อมในการรับสินค้าด้วยตนเองได้
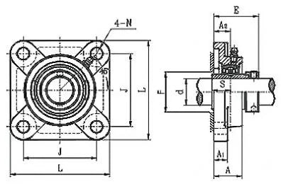
| HCF212-37 ยูนิตหน้าแปลนสี่รูยึด ชนิดสกรูยึดพร้อมปลอกเอียง 2 5/16" นิ้ว เส้นผ่านศูนย์กลางภายใน |
|
HCF212-37 หน้าแปลนสี่รูสลัก ตลับลูกปืน ยูนิตเป็นตลับลูกปืนแบบสกรูล็อคที่มีเส้นผ่านศูนย์กลางภายใน 2 5/16" นิ้ว
|
| ขนาด (นิ้ว) | |||||||||
|---|---|---|---|---|---|---|---|---|---|
| d | L | J | A2 | A1 | A | E | N | S | F ขั้นต่ำ |
| 2 5/16" | 6 7/8" | 5 5/8" | 1 5/32" | 23/32" | 1 7/8" | 2 31/32" | 23/32" | 1 7/32" | 3 1/32" |
แชร์
