1
/
จาก
2
VXB
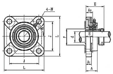
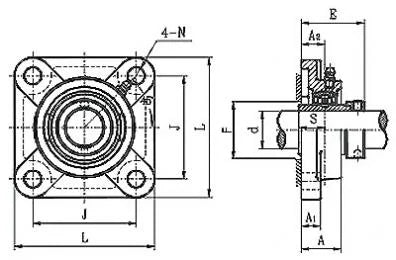
ตลับลูกปืน 2" HCF211-32 ที่ติดตั้งบนตัวเรือนแบบหน้าแปลน 4 รูน็อต พร้อมปลอกคอแบบเอียง
ตลับลูกปืน 2" HCF211-32 ที่ติดตั้งบนตัวเรือนแบบหน้าแปลน 4 รูน็อต พร้อมปลอกคอแบบเอียง
ราคาปกติ
$121.35 USD
ราคาปกติ
$135.00 USD
ราคาโปรโมชัน
$121.35 USD
ราคาต่อหน่วย
/
ต่อ
ค่าจัดส่งที่คำนวณในขั้นตอนการชำระเงิน
ไม่สามารถโหลดความพร้อมในการรับสินค้าด้วยตนเองได้
HCF211-32 ยูนิตหน้าแปลนสี่สลักเกลียว ชนิดสกรูยึดพร้อมปลอกเอียง เส้นผ่านศูนย์กลางภายใน 2" นิ้ว |
ชุดแบริ่งติดตั้งแบบมีขอบสี่รูพร้อมปลอกเอียง HCF211-32 เป็นแบริ่งแบบสกรูล็อกที่มีเส้นผ่านศูนย์กลางภายใน 2" นิ้ว
|
ขนาด (นิ้ว) | |||||||||
---|---|---|---|---|---|---|---|---|---|
d | L | J | A2 | A1 | A | E | N | S | F ขั้นต่ำ |
2" | 6 3/8" | 5 1/8" | 1" | 23/32" | 1 11/16" | 2 23/32" | 23/32" | 1 3/32" | 2 13/16" |
แชร์

