1
/
จาก
2
VXB
หน่วยลูกปืนถ่ายโอนบอลสปริงกระบอกสูบรับน้ำหนัก 220 ปอนด์
หน่วยลูกปืนถ่ายโอนบอลสปริงกระบอกสูบรับน้ำหนัก 220 ปอนด์
ราคาปกติ
$62.91 USD
ราคาปกติ
$69.99 USD
ราคาโปรโมชัน
$62.91 USD
ราคาต่อหน่วย
/
ต่อ
ค่าจัดส่งที่คำนวณในขั้นตอนการชำระเงิน
ไม่สามารถโหลดความพร้อมในการรับสินค้าด้วยตนเองได้
|
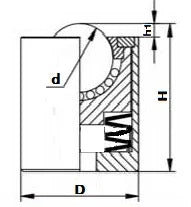
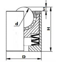
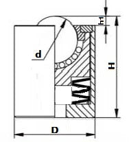
หน่วยลูกปืนถ่ายโอนบอลสปริงกระบอกสูบรับน้ำหนัก 220 ปอนด์ |
| กำลังโหลด ความจุ (ปอนด์) |
การรับน้ำหนัก กำลังโหลด (ปอนด์) |
ดี | D | H | h1 |
| 220 | 264 | 25.4mm | 44mm | 45 มม. | 5 มม. |
| ขนาดเป็นนิ้ว | 1" | 1.73" | 1.77" | 0.19" | |
|
แชร์
