VXB
หน่วยโอนบอลแบบดรอปอิน 62 มม. ทำจากเหล็กกล้าเครื่องจักรหนัก 992 ปอนด์
หน่วยโอนบอลแบบดรอปอิน 62 มม. ทำจากเหล็กกล้าเครื่องจักรหนัก 992 ปอนด์
ไม่สามารถโหลดความพร้อมในการรับสินค้าด้วยตนเองได้
หน่วยลูกบอลทรานสเฟอร์สำหรับงานหนัก 992 ปอนด์
✨ เหล็กกลึง - ลูกบอลรองรับชุบโครเมียม
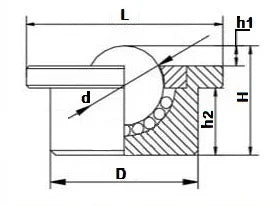
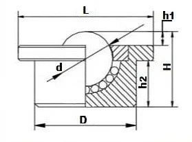
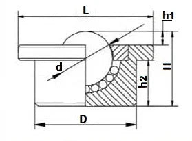
หน่วยลูกบอลทรานสเฟอร์สำหรับงานหนักนี้ผลิตจากเหล็กกลึงแข็งและออกแบบมาเพื่อรองรับน้ำหนักไดนามิกสูงสุด 992 ปอนด์ โดยมีความแข็งแรงในการรับแรงดึงขาดถึง 2,186 ปอนด์ มาพร้อมลูกบอลหลักชุบโครเมียมและถ้วยรองรับ เหมาะสำหรับระบบสายพานลำเลียง การจัดการวัสดุหนัก และการถ่ายโอนน้ำหนักในงานอุตสาหกรรม
🟢 จำนวน: 1 หน่วยลูกบอลทรานสเฟอร์
🟢 ความจุรับน้ำหนัก: 992 ปอนด์
🟢 ความสามารถในการรับแรงดึงขาด: 2,186 ปอนด์
🟢 เส้นผ่านศูนย์กลางลูกบอลหลัก (d): 45 มม. (1.77")
🟢 เส้นผ่านศูนย์กลางภายนอก (D): 62 มม. (2.44")
🟢 ความสูง (H): 54 มม. (2.12")
🟢 ความสูงการติดตั้ง (h1): 9 มม. (0.35")
🟢 ความสูงลูกบอล (h2): 35 มม. (1.37")
🟢 ความยาวฐาน (L): 75 มม. (2.95")
🟢 น้ำหนัก: 0.50 ปอนด์
🟢 วัสดุ: ลูกบอลชุบโครเมียมและตัวเครื่องเหล็กกลึงแข็ง
🟢 การออกแบบ: ฝาครอบเหล็กชุบพร้อมถ้วยรองรับแข็งแรงสำหรับความทนทานระยะยาว
แชร์
